SolidWorks Electrical Professional

 

       SolidWorks Electrical Professional 软件功能介绍
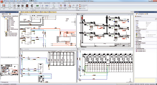
       SOLIDWORKS Electrical Schematic Professional 是一款强大易用的原理图设计工具,适用于设备和其他产品的嵌入式电气系统快速开发。它拥有内置且基于网络的符号和制造商零件信息库,可让设计流程变得顺畅。通过这些自动化设计和管理工具,用户可以简化从接线板到接触交叉参考指派的一系列艰巨设计任务。


       • 单线原理图:使用此规划工具,利用简单的电子零部件和互连线路图示生成复杂的嵌入式电气系统。
       • 多线原理图:使用此工具的简化用户界面 (UI) 创建传统原理图,该界面经优化可管理重复任务。
       • 2D 机柜创建:从电气原理图生成 2D 面板展示,并带有电气零部件的 2D 轮廓。
       • 电气零部件和符号库:访问这一内容丰富的行业标准原理图符号库和制造商零件数据库,通过易于使用的导入工具提供可轻松自定义并调整的零件库。




       • 设计和重用:探索集成工具套件,可支持智能剪切和粘贴、易于访问的“收藏”零部件和电路设计要素的选择,并且能够通过易于使用的导入向导来重用非 SOLIDWORKS Electrical设计要素。
       • 自动创建接线工程图:自动生成基于实时设计并与其同步的接线工程图。
       • 生成报告:根据实时设计数据库查询自动生成报告,并可通过集成自定义报告创建工具来自定义报告。
       • 自动接触交叉参考:根据制造商特定零部件中的触点可用性和类型,自动实时交叉引用和同步电气触点。
       • PLC 工具:可编程逻辑控制器 (PLC) 管理工具可自动执行很多 PLC 布线设计任务,还能导入 PLC 数据和标签
       • SOLIDWORKS Enterprise PDM 集成:自动发布原理图数据、工程图和报告,以进行存档和修订控制。
       这些功能可以提高电气系统设计的速度和准确性。用户可以创 建 并 修 改 P L C 工 程 图 配 置 、报 告 模 板 和 设 计 规则。SOLIDWORKS Electrical Schematic Professional 提供了从Excel 中导入数据配置和数据的功能,并且可使用实时同步的统一 BOM。